全国服务热线
4001-366-883一、适用范围
壁挂式直流电源柜ZQ-GZDW-1A,小型直流电源柜ZQ-GZDW-1B是转为小容量用户设计的直流电源。系统配置由监控模块,整流模块,降压模块,电池巡检模块,配单单元,蓄电池,柜台组成,具有体积小,结构紧凑,壁挂安装,不占场地,操作简单,智能管理,有效节能等特点。适用于电力,通信,交通,化工,治金,军事,医疗,厂矿,建筑及消防等领域及用于终端,可作为高压开关,继电保护,自动装置的操作电源和控制电源。
二、系统特点
1.两路交流输入自动切换,确保系统正常运行
2.输入电压范围宽,电网适用性强
3.采用ZQ-JK01监控,液晶显示屏,中文菜单,界面友好丰富,按键操作简单方便
4.具有周全的系统设置,运行信息查询及各项告警等功能
5.智能化的蓄电池充放电管理,完善可靠的温度补偿功能
6.可扩展电池巡检模块,最多检测蓄电池22节
7.系统采用多级密码权限管理,限制未授权人员的操作,确保系统安全可靠运行
8.内置RS232,RS485两种通讯接口,可通过后台监控和原创监控对系统实施遥测,遥控,遥信,遥调,四遥功能,实现无人值守
8.支持RTU,CDT,MODBUS三种通讯规约选择。
重要提示:
1.可根据用户需求增加信号装置,实现事故信号机预告信号高进功能
2.配置的不同功能会有所区别,具体详见系统选配的模块功能说明
三、技术参数

四、使用环境
海拔高度:不超过2000m
环境温度:-10°C~+40°C
相对湿度:≤90°(25°C)
地震烈度:不超过8度
设备限在室内工作,且通风良好
室内应无腐蚀金属和破坏绝缘的有害气体
安装垂直倾斜度,不超过5°
微控制器抗噪声,1000V1Us脉冲1分钟
无强电磁场干扰与剧烈震动
五、配置原则

六、外观结构

七、外形尺寸


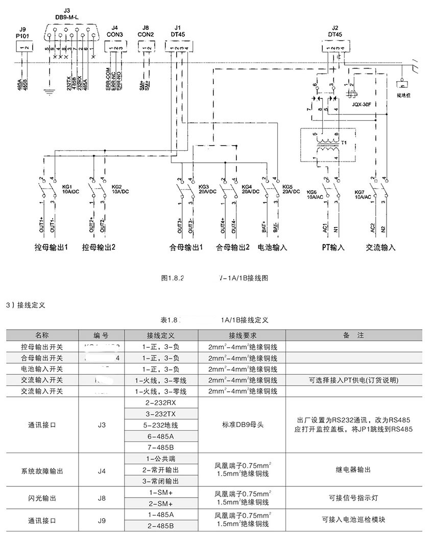
八、接线图
